本文涉及电脑散热风扇技术领域,特指一种可电脑控制的三段变速的直流无刷散热风扇的驱动电路。
目前市场上的变速直流无刷散热风扇主要用于电脑系统散热,它与电脑系统电路没有直接联系,电脑系统电路无法控制风扇的转速,它都是局限于在风扇电源输入端串联一个 热敏电阻,热敏电阻功耗大,且风扇转速随温度的变化量很小,这样风扇会白白损失部分能耗。
本文的目的是将风扇与电脑系统电路衔接起来,风扇的转速可由电脑系统电路控制,随温度的变化调节转速,并且可在三个不同速度段进行调整,进而节省能耗。

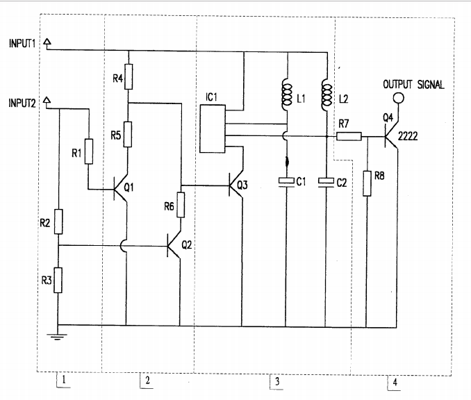
本文是通过如下技术方案实现的:电脑控制的变速直流无刷风扇的驱动电路,其特征是:它包括分压电路、比较放大电路、绕组脉幅控制电路、绕组工作监测电路四部分,并依照上述次序连接,后三个部分电路都有直流放大器,其中:分压电路中INPUT1输入12V电源电压,INPUT2输入电脑系统电压信号,INPUT2连接有串联电阻R1、R2;在比较放大电路中晶体管Q1的集电极接入NPUTI,基电极接入INPUT2,晶体管Q1的集电极的负载电阻为二组电阻R4、R5并 联;晶体管Q2的集电极接入通过负载电阻R6接在R4、R5之间,基电极接在入INPUT2的串联电阻R1、R2之间;在绕组脉幅控制电路中晶体管Q3的集电极与INPUT1之间串接一个四只脚的霍尔元件IC,霍尔元件IC的其中两只脚分别与INPUT1和晶体管Q2的集电极连接,其余2只脚分别与电机的2个绕组L1和L2的输出端连接;电容C1、C2分别与电机绕组L1、L2串接,作为滤波电容吸收电机绕组L1、L2工作时产生的突波;晶体管Q2的基极连接在比较放大电路(2)中晶体管Q2的负载电阻R6上;绕组工作监测电路接在绕组L2的输出端上。为了测试电机绕组的工作电流情况,晶体管Q4的基极通过电阻R7接在电机绕组L2的输出端,当电机工作时,晶体管Q4的输出为一一个方波信号,且方波信号随转速升高而增高,当风扇停止时,晶体管Q3输出一个直波。
本文的分压电路给比较放大电路分别提供恒压和电脑系统电压信号,比较放大电路在电脑系统电压信号控制下给绕组脉幅控制电路提供不同偏置电流,绕组脉幅控制电路给电机提供工作电流,绕组工作监测电路监测绕组脉幅控制电路的工作电流,这样风扇的电机转速就可由电脑系统电路控制。通过分别选择R4、R5、R6的阻值大小,可在三个不同速度段调整风扇速度。电脑系统电路可随温度变化相应调整风扇转速,从而节省能耗。